| Ampex 600 recorder instructions |
1955 |
sch |
|
|
|
|
DjVu |
|
|
| Ampex 600 Sams folder |
1956 |
|
|
|
|
|
DjVu |
|
|
| Ampex 620 amp instructions |
1954 |
1 |
2 |
sch |
4 |
|
DjVu |
|
|
| Ampex 620 Sams folder |
1956 |
|
|
|
|
|
DjVu |
|
|
|
|
|
|
|
|
|
|
|
|
| Bell 2200 mono amp - Sams | 1953 | sch |
|
|
|
| DjVu |
|
|
| Bell 5630 PA Amp - Sams | 1958 | sch |
|
|
|
| DjVu |
|
|
|
|
|
|
|
|
|
|
|
|
| Bigg of California "George Gott" G30U Amplifier | 1957 | sch |
|
|
|
| DjVu |
|
|
|
|
|
|
|
|
|
|
|
|
| E. H. Scott 16A ("Metropolitan") Sams folder |
1948 |
|
|
|
|
|
DjVu |
|
|
| E. H. Scott 510 Sams folder |
1950 |
sch |
|
|
|
|
DjVu |
|
|
| E. H. Scott 515 Sams folder |
|
|
|
|
|
|
|
|
|
|
|
|
|
|
|
|
|
|
|
| Fairchild 255 amp Sams folder | 1956 | sch |
|
|
|
| DjVu |
|
|
|
|
|
|
|
|
|
|
|
|
| Fisher 20A amp Sams folder | 1958 | 1 | 2 |
|
|
| DjVu |
|
|
| Fisher 30A amp Sams folder |
1959 |
1 |
2 |
|
|
|
DjVu |
|
|
| Fisher 30C preamp Sams folder | 1959 | sch |
|
|
|
| DjVu |
|
|
| Fisher 50A amp Sams folder |
1954 |
|
|
|
|
|
DjVu |
|
|
| Fisher 50C preamp op/service manual | 1953 | sch |
|
|
|
| DjVu |
|
|
| Fisher 50C preamp - article from Radio/TV News | 1953 |
|
|
|
|
| DjVu |
|
|
| Fisher 50R tuner Sams folder | 1954 | sch |
|
|
|
| DjVu |
|
|
| Fisher 51 Phono amp |
1957 |
sch |
P/L |
|
|
|
|
|
|
| Fisher 80AZ amp data sheet |
1957 |
1 |
2 |
|
|
|
DjVu |
pdf |
|
| Fisher 80AZ amp op/service manual. |
1957 |
|
|
|
|
|
DjVu |
pdf |
ZIP file |
| Fisher 80AZ amp Sams folder |
1957 |
|
|
|
|
|
DjVu |
|
|
| Fisher 80-T tuner data sheet |
1957 |
1 |
2 |
|
|
|
DjVu |
pdf |
|
| Fisher 80-T tuner op/service manual |
1957 |
|
|
|
|
|
DjVu |
pdf |
ZIP file |
| Fisher 80-R / 80-T tuner Sams folder |
1958 |
sch |
|
|
|
|
DjVu |
|
|
| Fisher 90-C preamp Sams folder |
1958 |
sch |
|
|
|
|
DjVu |
|
|
| Fisher 90-R tuner Sams folder | 1959 | sch |
|
|
|
| DjVu |
|
|
| Fisher 90-T tuner Sams folder |
1958 |
sch |
|
|
|
|
DjVu |
|
|
| Fisher 100 amp Sams folder |
1959 |
sch |
|
|
|
|
DjVu |
|
|
| Fisher 101-R tuner Sams folder |
1959 |
sch |
|
|
|
|
DjVu |
|
|
| Fisher 125 amp Sams folder | 1958 | sch |
|
|
|
| DjVu |
|
|
| Fisher 200 amp Sams folder | 1959 | sch |
|
|
|
| DjVu |
|
|
| Fisher 400C preamp Sams folder |
1959 |
sch |
|
|
|
|
DjVu |
|
|
| Fisher 500 (mono, aka TA-500) instructions | 1958 |
|
|
|
|
|
| pdf |
|
| Fisher 500 (mono) receiver Sams folder |
1958 |
sch |
|
|
|
|
DjVu |
|
|
| Fisher FM-40 tuner Sams folder |
1957 |
sch |
|
|
|
|
DjVu |
|
|
| Fisher FM-80 tuner Sams folder | 1955 | sch |
|
|
|
| DjVu |
|
|
| Fisher FM-90X tuner Sams folder | 1958
|
|
|
|
|
|
|
|
|
| Fisher K-100 service manual | 1958 | sch |
|
|
|
|
| pdf |
|
| Fisher MPX-10 multiplex adapter Sams folder |
1959 |
|
|
|
|
|
DjVu |
|
|
| Fisher PR-6 mag phono preamp Sams folder |
1959 |
|
|
|
|
|
DjVu |
|
|
|
|
|
|
|
|
|
|
|
|
| Grommes 215BA Sams folder | 1953 | sch |
|
|
|
| DjVu |
|
|
| Grommes LJ-5 and LJ-6 Sams folder | 1957 |
|
|
|
|
| DjVu |
|
|
|
|
|
|
|
|
|
|
|
|
| Harman Kardon D200 receiver | 1956 | sch |
|
|
|
| DjVu |
|
|
| Harman Kardon A1040 "Trend II" | 1958 | sch |
|
|
|
| DjVu |
|
|
|
|
|
|
|
|
|
|
|
|
| HH Scott 121-C preamp | 1957 | sch |
|
|
|
| DjVu |
|
|
|
|
|
|
|
|
|
|
|
|
| Heath W4-AM amp assembly manual |
1957? |
1 |
2 |
3 |
4 |
5 |
DjVu |
|
|
| Heath W5-M amp assembly manual |
1957? |
|
|
|
|
|
DjVu |
|
|
|
|
|
|
|
|
|
|
|
|
| Jensen 1957 catalog 104 |
1957 |
|
|
|
|
|
DjVu |
pdf |
ZIP file |
| Jensen TP-200 owner's manual |
1957 |
|
|
|
|
|
DjVu |
pdf |
ZIP file |
|
|
|
|
|
|
|
|
|
|
| Knight 10W amp (6V6) |
1954 |
1 |
2 |
|
|
|
|
|
|
Knight mono amp 93SX312 Sams folder
| 1955
| sch |
|
|
|
| DjVu
|
|
|
| Knight 12W amp (EL84) - aka KM-15 or 83Y784 |
1959 |
1 |
2 |
|
|
|
|
pdf |
|
| Knight 20W amp (6L6) |
1958 |
1 |
2 |
3 |
sch |
|
|
|
|
| Knight 18W mono amp (83YX797, KM-20 - 83YX930) | '59,'62 | sch | P/L |
|
|
|
|
|
|
| Knight KN-530 mono amp (92SZ402) | 1958 | sch |
|
|
|
|
|
|
|
| Knight KN-3032 PA amp (93SZ507) | 1957 | sch |
|
|
|
|
|
|
|
| Knight KN-3060 PA amp (93SZ508) | 1957 | sch |
|
|
|
|
|
|
|
| Knight KN-3035 PA amp (93SX055) | 1958 | sch |
|
|
|
|
|
|
|
|
|
|
|
|
|
|
|
|
|
Magnavox AMP-150 bi-amp - Sams folder
|
1957
|
|
|
|
|
|
DjVu
|
|
|
Magnavox FM-13 (CR702A/B) - Sams
|
1955
|
sch
|
|
|
|
|
DjVu
|
|
|
|
|
|
|
|
|
|
|
|
|
| Motorola HK-33B (amp: HS-701) Sams folder | 1959 | sch |
|
|
|
| DjVu |
|
|
|
|
|
|
|
|
|
|
|
|
| National Criterion tuner | 1955 | sch |
|
|
|
| DjVu |
|
|
| National Horizon 5 preamp | 1955 |
|
|
|
|
| DjVu |
|
|
| National Horizon 10 amplifier | 1955 |
|
|
|
|
| DjVu |
|
|
| National Horizon 20 amplifier | 1955 |
|
|
|
|
| DjVu |
|
|
|
|
|
|
|
|
|
|
|
|
Pederson AFM-2A AM/FM tuner - Sams
| 1956
| sch
|
|
|
|
| DjVu
|
|
|
| Pederson AFM-6A AM/FM tuner / preamp |
1957 |
sch
|
|
|
|
|
DjVu
|
|
|
Pederson PCP-20 integrated amp - Sams
|
1955
|
sch
|
|
|
|
|
DjVu
|
|
|
Pederson PRT-1 preamplifier - Sams folder
|
1955
|
sch
|
|
|
|
|
DjVu
|
|
|
| Pederson W-15 amplifier | 1954? | sch | spec |
|
|
|
|
|
|
| Pederson W-30 amplifier - Sams folder | 1955 | sch |
|
|
|
| DjVu |
|
|
| Pederson W-50 amplifier - Sams folder | 1956 | sch |
|
|
|
| DjVu |
|
|
|
|
|
|
|
|
|
|
|
|
Pilot AA-901 amplifier - Sams schematic
|
1953 |
sch |
|
|
|
|
|
|
|
Pilot AA-902 amplifier - factory manual
|
1952
|
1
|
2
|
3
|
sch
|
|
|
|
|
|
|
|
|
|
|
|
|
|
|
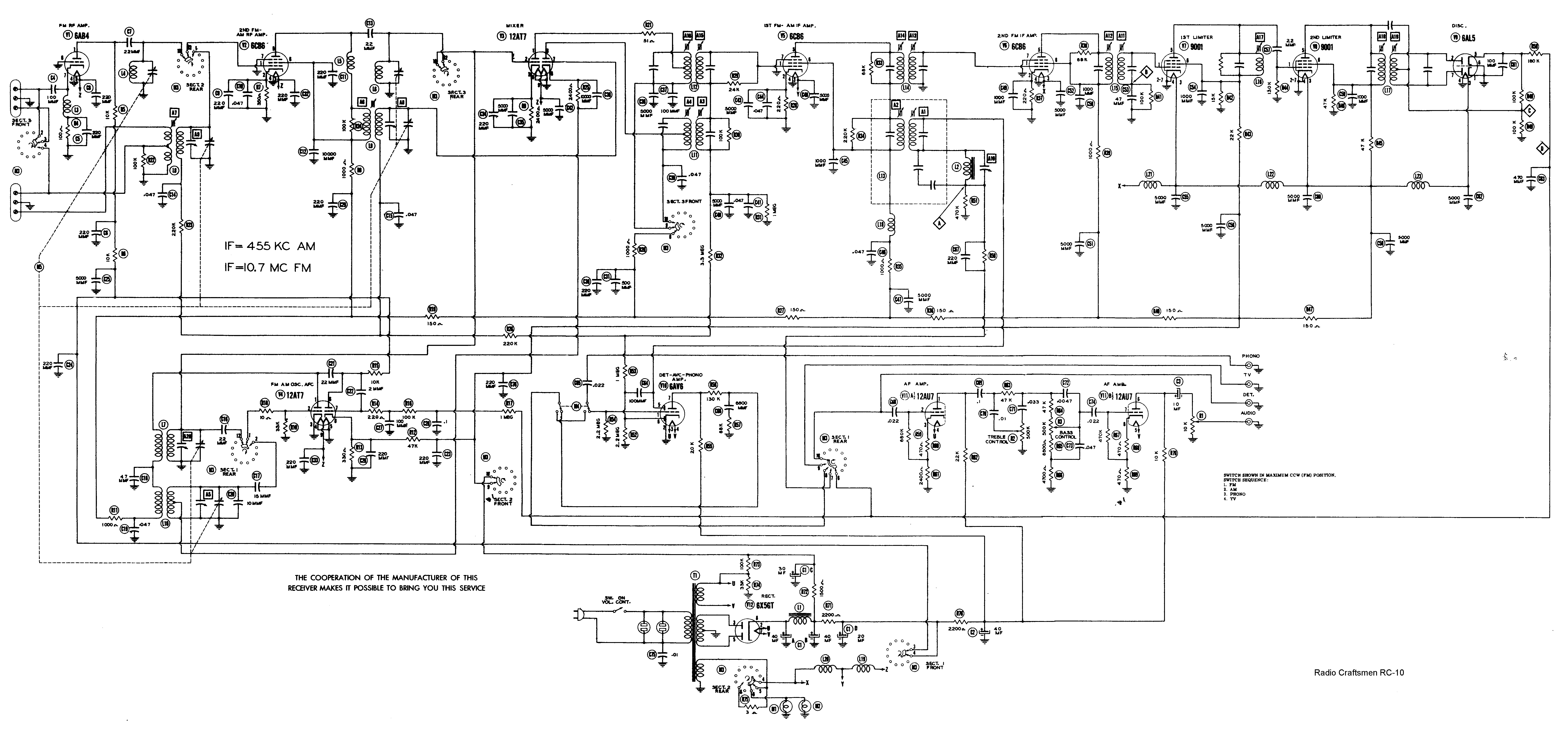
| Radio Craftsmen RC-10 tuner - Sams folder |
1950 |
sch |
|
|
|
|
DjVu |
|
|
| Radio Craftsmen model 2 amp - Sams folder |
1952 |
|
|
|
|
|
|
pdf |
|
| Radio Craftsmen 10 tuner - Sams folder |
1952 |
|
|
|
|
|
|
pdf |
|
| Radio Craftsmen 500 amp - installation, service, sales flyer | 1951 | sch |
|
|
|
| DjVu |
|
|
| Radio Craftsmen 800 tuner / preamp - Sams |
1953 |
sch |
|
|
|
|
DjVu |
|
|
| Radio Craftsmen C900 tuner Sams folder |
1954 |
sch |
|
|
|
|
DjVu |
|
|
| Radio Craftsmen C1000 tuner Sams folder | 1955 | sch |
|
|
|
| DjVu |
|
|
|
|
|
|
|
|
|
|
|
|
Sherwood S-1000 amp Sams folder
|
1957
|
sch
|
|
|
|
|
DjVu
|
|
|
| Sherwood S-1000-II amp schematic |
1958? |
gif |
|
|
|
|
|
|
|
| Sherwood S-2000 tuner manual |
1959 |
|
|
|
|
|
DjVu |
|
|
|
|
|
|
|
|
|
|
|
|
| Steelman 4AR8, 4AR11 (chassis by Harman-Kardon) Sams |
1959 |
sch |
|
|
|
|
DjVu |
|
|
|
|
|
|
|
|
|
|
|
|
| Telefunken radio / TV brochure | 1959 |
|
|
|
|
| DjVu |
|
|
|
|
|
|
|
|
|
|
|
|
| Thordarson T-30W08A Amplifier | 1946 | sch |
|
|
|
|
|
|
|
| Thordarson T-31W25A Amplifier | 1946 | sch |
|
|
|
|
|
|
|
| Thordarson T-31W50A Amplifier | 1947 | sch |
|
|
|
|
|
|
|
| Thordarson T-32W10 Amplifier and T-32W00 Preamplifier | 1950 |
|
|
|
|
|
| pdf |
|